探索UR機器人 | UR16e機器人的工作空間及安裝說明
發布時間:2021-12-03 18:36:13 作者:顯揚科技
UR16e機器人工作空間延伸900mm基座關節周圍選擇機器人安裝位置時,務必考慮機器人正上方和正下方的圓柱體空間。應避免將工具移向圓柱體空間,因為這樣會造成工具慢速運動時關節卻運動過快,從而導致機器人工作效率低下,風險評估難以進行。

UR16e機器人手臂使用4顆8.8級強度的M8螺栓和底部的4個8.5mm安裝孔安裝機器人手臂。螺栓必須使用20Nm扭矩擰緊。
使用預留的兩個Ø8孔和一個銷釘來準確地重新定位機器人手臂。注意:可以采購精確的基座作為附件來使用。圖4.1顯示了鉆孔位置和螺絲安裝位置。
將UR16e機器人安裝在一個堅固、無震動的表面,該表面應當足以承受至少10倍的基座關節的完全扭轉力,以及至少5倍的機器人手臂的重量。如果UR16e機器人安裝在線性軸上或是活動的平臺上,則活動性安裝基座的加速度非常低。高加速度會導致機器人發生安全停機。
確保UR16e機器人手臂正確并安全地安裝到位。安裝不穩定會導致事故。
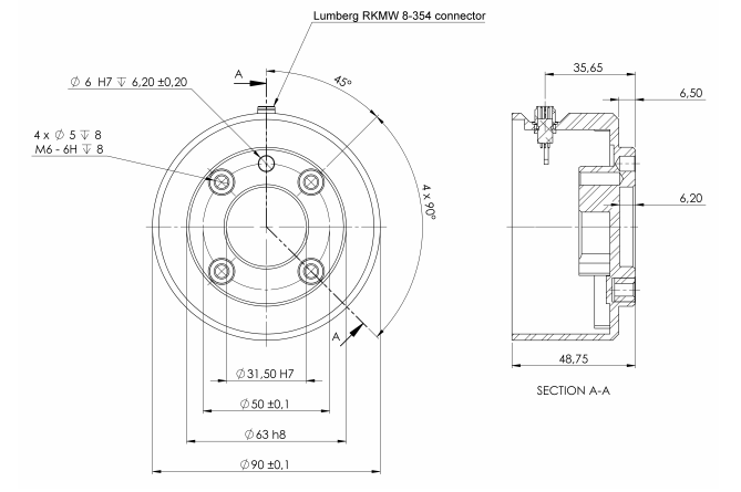
機器人安裝孔。使用4顆M8螺栓。所有測量值均以mm為單位
將UR16e機器人安裝在適合IP等級的環境中。機器人不得在超過與機器人(Ip54)、示教盒(IP54)和控制箱(IP44)的IP等級相當的環境中運行。
UR16e機器人工具法蘭有四個M6螺紋孔,可用于將工具連接到機器人。M6螺栓必須使用8Nm的扭矩擰緊,其強度等級為8.8。為了準確地重新定位工具,請在預留的Ø6個孔中使用銷釘。下圖顯示了工具法蘭的尺寸和孔模式。建議對銷釘使用徑向槽孔以避免過度約束,同時保持精確的位置。安裝工具的螺栓不得超過8mm。M6螺栓太長將壓在工具法蘭的底部并使機器人短路。
工具輸出法蘭(ISO9409-1-50-4-M6)是機器人頂端的工具安裝位置。所有測量值均以mm為單位
需要注意以下幾點:
1.確保工具正確并安全地安裝到位。
2.確保工具安全架構,不會有零件意外墜落造成危險。
3.在機器人上安裝一個帶有延伸超過8毫米M6螺栓的工具可能會推入工具法蘭并造成無法修復的損壞,從而導致更換端部接頭。
控制箱可懸掛在墻壁上,也可安放在地面上。控制箱每側應保留50mm的空隙,以確保空氣流通順暢。示教盒可以懸掛在墻壁或控制箱上。確認電纜不會引起絆倒危險。您可以購買用于安裝控制箱和示教盒的額外支架。
需要注意以下幾點:
1.確保控制箱、示教盒和電纜不接觸液體。潮濕的控制箱可導致致命傷害。
2.將示教盒(IP54)和控制箱(IP44)放置在適合IP等級的環境中。
UR16e機器人手臂的最大允許有效載荷取決于重心偏移,參見下圖。重心偏移定義為工具輸出法蘭的中心與附加的有效載荷重心之間的距離。
最大允許有效載荷與重心偏移之間的關系
顯揚科技專注研發并產業化高速高清三維機器視覺設備、智能協作機器人系統,使命是“讓人類高效地用好機器人”。目前,顯揚科技自主研發的三維機器視覺兼容多種品牌的機器人并已成功應用于食品、電器、陶瓷、物流、教育科技、新零售等行業。此外,顯揚科技生態系統包括以下品牌:UR優傲協作機器人 、AUBO遨博移動機器人、Franka Emika 協作機器人、艾利特Elite協作機器人、Kuka iiwa 協作機器人、ABB工業機器人、海康工業鏡頭 、海康工業相機、伯朗特工業機器人、 愛普生Epson工業機器人、 robotiq夾爪 、robotiq真空吸盤、robotiq腕部相機、慧靈機器人電爪 、大寰機器人電爪、研華工控機、超恩工控機、創想三維3D打印機 、Mir AGV、機器人關節、精密機械加工服務。